images/testate/header-valvole-farfalla.jpg

Válvula de mariposa Item 270-474

Válvula de mariposa Item 270-474

Válvula de mariposa “metal-metal” para el montaje entre bridas tipo “Wafer”

ITEM 270

Cuerpo: Hierro fundido
Lente: Hierro fundido*
ITEM 474

Cuerpo: CF8M
Lente: CF8M 

CONFIGURA Accionamiento
SOLICITA INFORMACIÓN
IMPRIME PÁGINA
  • características
  • dimensiones
  • materiales

EJECUCIONES ESTÁNDAR:
- Válvula serie 270: cuerpo y lente en hierro fundido.*
- Válvula serie 474: cuerpo y lente en CF8M.

- Gama disponible: desde el DN 40 al DN 200 (other sizes on request) PN10 - PN16 - ANSI 150
- Entramado estándar: PN10 - PN16 - ANSI 150
- Espacios de cara a cara normalizados ISO 5752.
- Cabeza de la válvula normalizada ISO 5211.
- La válvula con junta metal-metal ha sido diseñada para el cierre de gases de escape, humos de hornos industriales, en plantas de cogeneración: from -10°C to +180°C cast iron type; from -50°C to +180°C CF8M type;
- Presión de uso: PN 16 bar para DN 40÷200
- El sellado de esta válvula contiene pérdidas entre un valor estimado de 1,5-2%.

*CF8M para válvulas de hasta el DN100 incluidas

EJECUCIONES BAJO PEDIDO:

- Versiones desde el DN 40 al DN 600: cast iron -10°C/+350°C, CF8M -50°C/+600°C.
- Para más información contactar con nuestro departamento técnico.

CERTIFICACIONES:

Configuración ATEX 2014/34/UE a solicitar en la fase de pedido.

Con actuador neumático de doble efecto
DN [mm]
[pulgadas]
Artículo
Actuador
KIT montaje
L [mm]
H [mm]
A [mm]
Kg
DN 40
1" 1/2
DG*XM68
DAN0015411S
KCNADDD5438
159,0
272,2
33
4,2
DN 50
2"
DG*XM69
DAN0015411S
KCNADDD5438
159,0
288,2
43
5,7
DN 65
2" 1/2
DG*XM70
DAN0015411S
KCNADDD5439
159,0
293,2
46
6,7
DN 80
3"
DG*XM71
DAN0030411S
KCNCDDD5440
174,2
308,2
46
7,7
DN 100
4"
DG*XM72
DAN0030411S
KCNCDDD5440
174,2
326,2
52
9,2
DN 125
5"
DG*XM73
DAN0030411S
KCNCDDD5442
174,2
345,2
56
10,8
DN 150
6"
DG*XM74
DAN0030411S
KCNCDDD5442
174,2
354,2
56
11,8
DN 200
8"
DG*XM75
DAN0060412S
KCNDDDD5444
198,0
405,4
60
18,7

Con actuador neumático de simple efecto
DN [mm]
[pulgadas]
Artículo
Actuador
KIT montaje
L [mm]H [mm]A [mm]Kg
DN 40
1" 1/2
SG*XM68SRN0015401SKCNADDD5438233,2279,2334,7
DN 50
2"
SG*XM69SRN0015401SKCNADDD5438233,2295,2436,2
DN 65
2" 1/2
SG*XM70SRN0015401SKCNADDD5439233,2300,2467,2
DN 80
3"
SG*XM71SRN0030402SKCNCDDD5441258,8319,4468,6
DN 100
4"
SG*XM72SRN0030402SKCNCDDD5441258,8337,45210,1
DN 125
5"
SG*XM73SRN0030402SKCNCDDD5443258,8356,45611,7
DN 150
6"
SG*XM74SRN0030402SKCNCDDD5443258,8365,45612,7
DN 200
8"
SG*XM75SRN0060401SKCNDDDD5445338,5422,06020,4

 * = 270 Válvula en hierro fundido     * = 474 Válvula CF8M
Tamaño de los actuadores neumáticos teniendo en cuenta una presión mínima de alimentación igual a 5,6 barg.

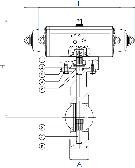
ARTÍCULO 270-474 MATERIALES
1) Anillo elástico de seguridad
Acero niquelado
2) Arandela prensajuntas tóricas
Acero niquelado
3) Adaptador
Aluminio pintado
4) Tornillos
Acero niquelado
5) Junta tórica
FKM
6) Lente
Hierro fundido esferoidal GGG50 - CF8M
7) Eje de comando
420 S.S. - 303 S.S.
8) Cuerpo
Hierro fundido esferoidal GGG50 - CF8M

CONFIGURA CONDUCIR
Selecciona los parámetros de búsqueda
BUSCA ARTÍCULO
X CERRAR

SIGUIENTE EVENTO

Hyvolution 2026
Hyvolution 2026
Paris, France - 27-29 january 2026