images/testate/7J20T0_Header-attuatori-elettrici.jpg

Actuador eléctrico tipo rotativo EF 25-250

  • características
  • dimensiones

DATOS TÉCNICOS
Actuador eléctrico tipo rotativo que se puede utilizar en aplicaciones abierto/cerrado y modulante.
Usado para válvulas con ángulo de rotación desde 90° a 180°.
Posición abierto/cerrado/intermedio
Par nominal: 10-100 Nm
Par de pico: 25-250 Nm.
Tensión de alimentación: CA 100-230 V, 50/60 Hz - CA/CC 24 V, 50/60 Hz
Tolerancia de alimentación ±15%.
Clase de protección IP65 (IP67 con prensaestopas e instalación vertical) según EN 60529
Actuadores para válvulas industriales EN 15714-2
Temperatura de funcionamiento: desde -10°C* a +50°C
Humedad relativa: Máx. 90% sin condensación
Material cuerpo: PP cargado vidrio

* A temperaturas inferiores -10°C y en presencia de humedad el elemento calefactor se debe activar.

OPCIONAL BAJO PEDIDO

Posicionador: Corriente, tensión
Conexión: Profibus DP
Retorno en posición de seguridad: Batería interna, alimentación desde el exterior
Módulos adicionales: Monitorización de ciclos, contador ciclos, monitorización corriente motor

FICHA TÉCNICA

EF 25EF 45EF 120EF 250
Par nominal  (Nm)102060100
Par de pico   (Nm)2545120250
Carga de trabajo
100%50%50%35%
Tiempo ciclo al par nominal  5 s/90°6 s/90°15 s/90°20 s/90°
Tensión de alimentación
100-230 VAC, 50/60 HZ
24VAC/DC, 50/60 HZ
Potencia nominal de salida
35VA @ 100-230VAC
40VA @ 24VAC/DC
55VA @ 100-230VAC
60VA @ 24VAC/DC
50VA @ 100-230VAC
55VA @ 24VAC/DC
60VA @ 100-230VAC
65VA @ 24VAC/DC
Absorción  0.35A @ 100VAC
0.15A @ 230
1.7A @ 24VDC
0.55A @ 100VAC
0.24A @ 230
2.5A @ 24VDC
0.5A @ 100VAC
0.22A @ 230
2.3A @ 24VDC
0.55A @ 100VAC
0.26A @ 230
2.7A @ 24VDC
Peso   (kg)2,12,23,65
Ángulo de rotación  Max. 355°, set @ 90°
Ciclos testados (a 20°C y par nominal)    250 000100 000100 00075 000

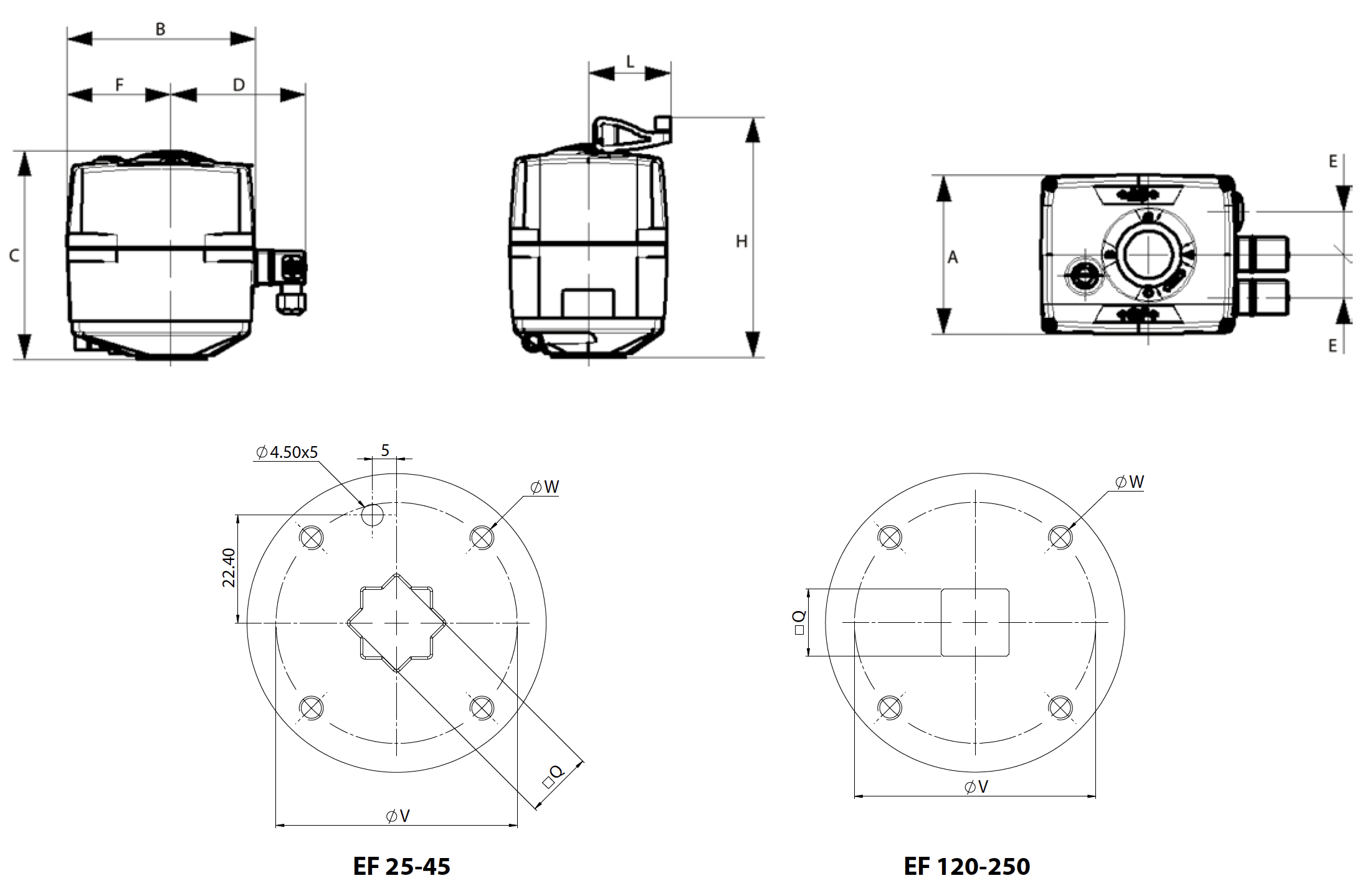
DIMENSIONES  
TIPO
ISO
A
B
C
D
E
F
H
L
Q
øV
øW
EF 25
F05
122
150
167
108
33
83
189
64
14
50
M6
EF 45
F05
122
150
167
108
33
83
189
64
14
50
M6
EF 120
F07
122
150
190
108
33
83
212
64
17
70
M8
EF 250
F07
122
150
208
108
33
83
230
64
17
70
M8

SELECCIONA TALLA
Selecciona los parámetros de búsqueda
BUSCA ARTÍCULO
X CERRAR

SIGUIENTE EVENTO

Hyvolution 2026
Hyvolution 2026
Paris, France - 27-29 january 2026