DATOS TÉCNICOS Actuador de trabajo manual: 90° regulable entre 20° y 95° Tipo de regulación: continua mediante levas de frenado automático y topes electromecánicos. Par de trabajo nominal: desde 35 a 240 Nm. Tiempo de maniobra (0° - 90°): ver diagrama. Servicio: S3 ED 50% según CEI 60034. Cumplimiento de las normas: Directiva baja tensión 2014/35/UE; Directiva compatibilidad electromagnética 2014/30/CE. Grado de protección: IP67 según EN60529. Temperatura ambiente de trabajo: -25° +60° C. Temperatura límite de almacenamiento: -40° +90°C. Protección termostática autoreset interna al motor. Bobinado motor con aislamiento en clase F (155°C). Rotor soportado en rodamientos de bola. Conexión para accionamiento manual de emergencia (llave hexagonal suministrada) Indicador visual externo de semáforo con zona superior graduada Resistencia anticondensación de serie. Conexiones eléctricas mediante conectores IP67, disponibles bajo pedido con cable precableado. 2 topes electromecánicos SPDT para indicación auxiliar con levas regulables en todo el recorrido. Ruido máximo durante el funcionamiento <70 dB (A). Tensión de alimentación: 230 Vac ±10%, 50/60 Hz monofase; 115 Vac ±10%, 50/60 Hz monofase; 24 V ac/dc ±10%; 24 V dc ±5%.
PARES
MODELO
EA0035
EA0070
EA0130
EA0240
Par nominal de trabajo
Nm
35
70
130
240
Par máx. para transiciones
Nm
45
85
160
280
CÓDIGOS DE ORDENACIÓN ACTUADOR
IP67 VERSION
DIMENSIONES
A
B
C
D
E
øF
øG
øH
øI
øL
øM
N
O
P
☐Q
R
S
T
U
Kg
EA0035
137
109
132
190
84
70
50
36
M8x14
M6x11
M5x9
70
74
59
14
69
18
26
67,5
3,6
EA0070
137
109
136
190
84
70
50
- -
M8x14
M6x11
- -
70
74
59
14
69
18
26
67,5
3,8
EA0130
157,5
129,5
160
221,5
93
102
70
50
M10x17
M8x15
M6x11
67,5
90,5
57
17
84
17
31
76
7,2
EA0240
157,5
129,5
163,5
221,5
93
102
70
- -
M10x17
M8x15
- -
67,5
90,5
57
22
84
17
31
76
7,5
IP68 VERSION
DIMENSIONES
A
B
C
D
E
øF
øG
øH
øI
øL
øM
N
O
P
☐Q
R
S
T
U
Kg
EA0035
142,1
137,5
132
172
84
70
50
36
M8x14
M6x11
M5x9
109,8
74
177,1
14
69
14
26
67,5
3,8
EA0070
142,1
137,5
136
172
84
70
50
- -
M8x14
M6x11
- -
109,8
74
177,1
14
69
14
26
67,5
4
EA0130
162,8
158,2
160
204,6
93
102
70
50
M10x17
M8x15
M6x11
109,8
90,5
211,1
17
84
12
31
76
7,4
EA0240
162,8
158,2
163,5
204,6
93
102
70
- -
M10x17
M8x15
- -
109,8
90,5
211,1
22
84
12
31
76
7,7
IP67 VERSION
MATERIALES
1
Cuerpo
Aluminio
2
Tapa del reductor
Aluminio
3
Indicador de posición
PMMA
4
Tapa grupo eléctrico
Aluminio
5
Tapa caja de bornes
Aluminio
6
Connector
PA6 / PBT
7
Conexión para palanca
Acero
8
Eje hembra
Acero inoxidable
9
Palanca
Acero inoxidable
IP68 VERSION
MATERIALES
1
Cuerpo
Aluminio
2
Tapa del reductor
Aluminio
3
Indicador de posición
PMMA
4
Tapa grupo eléctrico
Aluminio
5
Tapa caja de bornes
Aluminio
6
Box H27
Aluminio
7
Conexión para palanca
Acero
8
Eje hembra
Acero inoxidable
9
Palanca
Acero inoxidable
10
Cable gland
Brass
DIAGRAMAS DE FUNCIONAMIENTO EA0035
DIAGRAMAS DE FUNCIONAMIENTO EA0070
DIAGRAMAS DE FUNCIONAMIENTO EA0130
DIAGRAMAS DE FUNCIONAMIENTO EA0240
IP67 ESQUEMA ELÉCTRICO DE CONEXIÓN PARA ALIMENTACIÓN 24 Vca/cc - 24 Vcc
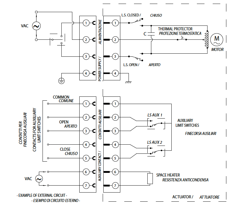
IP67 ESQUEMA ELÉCTRICO DE CONEXIÓN PARA ALIMENTACIÓN 115 - 230 Vca
IP68 ESQUEMA ELÉCTRICO DE CONEXIÓN PARA ALIMENTACIÓN 24 Vca/cc - 24 Vcc
IP68 ESQUEMA ELÉCTRICO DE CONEXIÓN PARA ALIMENTACIÓN 115 - 230 Vca